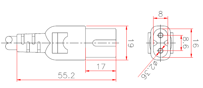
產品介紹 全部產品 成品 AC電源線組 中國 日本 臺灣 印度 沙特 韓國 以色列 德國 英國 意大利 荷蘭 美國 加拿大 澳洲 巴西 阿根廷 瑞士 丹麥 瑞典 芬蘭 挪威 AC電源線組(分線器) 美國 歐洲 插頭&線材零組件類 AC電源線插頭 中國 日本 美國 德國 英國 香港 荷蘭 意大利 丹麥 挪威 芬蘭 瑞典 瑞士 臺灣 以色列 韓國 沙特 巴西 阿根廷 澳洲 加拿大 俄羅斯 新加坡 印度 AC電源線連接器 中國 日本 美國 德國 英國 台灣 韓國 澳洲 加拿大 荷蘭 意大利 ENEC 延長線&卷線盤 日本 臺灣 PVC電源線材 德國 意大利 荷蘭 挪威 瑞典 芬蘭 丹麥 瑞士 美國 澳洲 中國 巴西 阿根廷 日本 臺灣 韓國 加拿大 南非 印度 橡膠電源線材 日本 美國 德國 無鹵電源線材 德國 美國 日本 器具配線 磁性類別插座 日本 美國 美國大電流插頭&連接器 美國 膠料類 美規膠料 歐規膠料 日規膠料 亞洲膠料 澳規膠料 配線膠料 建築膠料 新材料膠料 特性膠料 類別 插頭&線材零組件類 美國 UL498 C7 AC電源線連接器, 2芯直式 7A 125V產品型號PHS-219額定電壓125V額定電流7A顏色黑色或可依照需求提供客制化產品材質PVC最小訂購量1000PCS供給能力500000PCS/MonthCertificate 詢價車 產品圖面規格說明推薦商品最近瀏覽商品 產品圖面 規格說明適用電線SVT AWG 18/2CSJT AWG 18/2CSVTO AWG 18/2CSVTOO AWG 18/2C參考標准UL498 C7 RoHS 符合是REACH 符合 是 推薦商品 美國 UL498 C7 AC電源線連接器, 2芯彎式 7A 125V 最近瀏覽商品 美國 UL498 C7 AC電源線連接器, 2芯直式 7A 125V 英國 彎式 AC插頭 3PIN 接地 不可拆線 帶保險絲, 13A 250V 意大利 2PIN接地直頭 TO C13 右彎 AC電源線組Cord Set 10A 250V 日本 3PIN插頭 TO C5左彎AC電源線組Cord Set 7A 125V 電子音響系列配線 美國 UL498 C7 AC電源線連接器, 2芯直式 7A 125V 德國 2PIN 接地直頭 TO C13 左彎 AC電源線組 Cord set 10A 250V 荷蘭 IEC 60320 C5 AC電源線連接器, 3芯右彎式 2.5A 250V 歐洲 3PIN插頭 TO C5左彎式 AC電源線組(分線器) 10A 250V