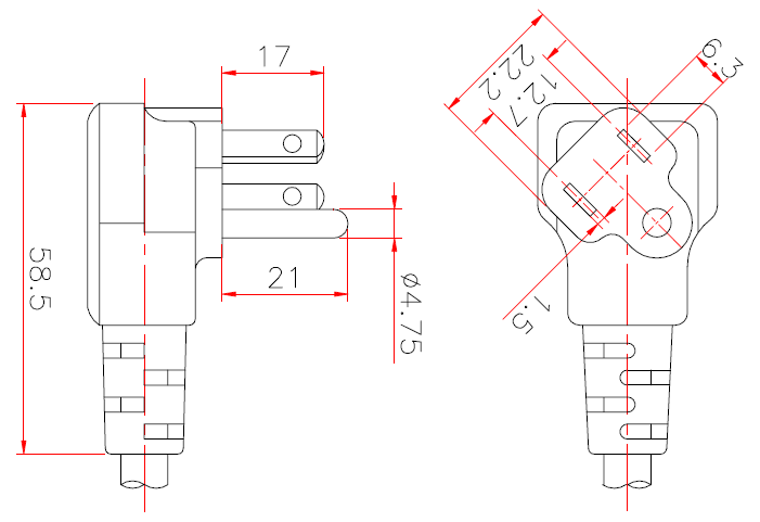
製品案内 全部產品 完成品類 AC電源コードセット 中国 日本 台湾 インド サウジアラビア 韓国 イスラエル ドイツ イギリス イタリア オランダ アメリカ カナダ オーストラリア ブラジル アルゼンチン スイス デンマーク スウェーデン フィンランド ノルウェー AC電源コード(コネクタ) アメリカ ヨーロッパ プラグ&配線部品類 AC電源コードプラグ 中国 日本 アメリカ ドイツ イギリス 香港 オランダ イタリア デンマーク ノルウェー フィンランド ウェーデン スイス 台湾 イスラエル 韓国 サウジアラビア ブラジル アルゼンチン オーストラリア カナダ ロシア シンガポール インド AC電源コードコネクター 中国 日本 アメリカ ドイツ イギリス 台湾 韓国 オーストラリア カナダ オランダ イタリア ENEC 延長コード 日本 台湾 ビニル絶縁電線・ケーブル ドイツ イタリア オランダ ノルウェー スウェーデン フィンランド デンマーク スイス アメリカ オーストラリア 中国 ブラジル アルゼンチン 日本 台湾 韓国 カナダ 南アフリカ インド ゴム電線・ケープル 日本 アメリカ ドイツ ハロゲンフリー電線・ケープル ドイツ アメリカ 日本 器具配線 マグネットプラグ 日本 アメリカ アメリカ大電流プラグ&コネクター アメリカ 被覆材 アメリカ向け ヨーロッパ向け 日本向け アジア向け オーストラリア向け 配線用 建築用 新素材 特性あり 類別 プラグ&配線部品類 カナダ 3 P+ 接地・L 形 ACプラグ・15A 125Vプラグ型番PHP-301R1定格電圧125V定格電流15A色黒、またはカスタマイズ被覆材PVC最低発注量1000PCS供給能力500000PCS/MonthCertificate お見積カート 製品図面製品詳細おすすめ商品最近チェックした商品 製品図面 製品詳細適用電線サイズSVT AWG 18/3C SJT AWG 18/3C 16/3C 14/3CSPT-1 AWG 18/3CSPT-2 AWG 18/3C 16/3CSPT-3 AWG 18/3C 16/3C 14/3CHPN AWG 18/3C 16/3C参考標準CAS C22.2RoHS 対応対応REACH 対応 対応 おすすめ商品 カナダ 3 P+ 接地・L 形 ACプラグ・15A 125V カナダ 3 P+ 接地・L 形 ACプラグ・15A 125V カナダ 3 P+ 接地・L 形 ACプラグ・15A 125V カナダ 3 P+ 接地・L 形 ACプラグ・15A 125V 最近チェックした商品 カナダ 3 P+ 接地・L 形 ACプラグ・15A 125V カナダ 3 P+ 接地・ストレート形 ACプラグ・15A 125V オーストラリアACコードセット 3ピン-C13 左 L 形 10A 250V アメリカACコードセット 3ピン-C13 10A 125V 韓国ACコードセット ストレット型プラグ 3ピン-C13 10A 250V イギリス 3 P+ 接地・L 形 一体成型 ヒューズ付きACプラグ・13A 250V インドACコードセット 2ピン-C7 2.5A 250V カナダ 2 P・ストレート形 ACプラグ・15A 125V