Products
Plugs & Wiring parts
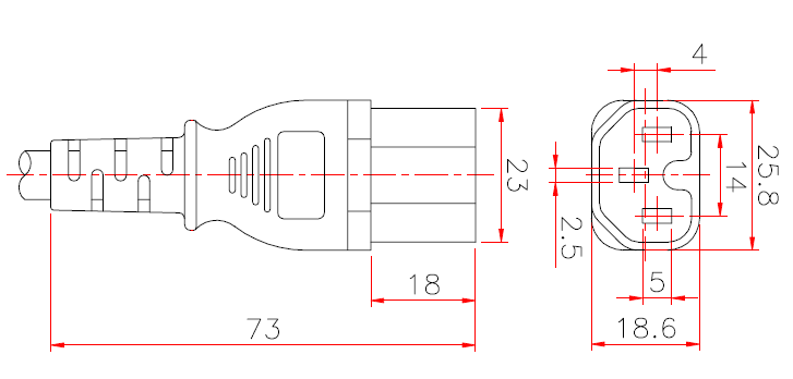
Holland IEC 60320 C15 3-Pin Straight AC Connector, 10A 250V
Connector p/No
PHS-304Voltage
250VAMP
10AColor
Black or customized products can be offered upon requestsMaterial
PVCMin. Order Q’ty
1000PCSProduction capacity
500000PCS/MonthCertificate






.png)


