Products
Finished Product
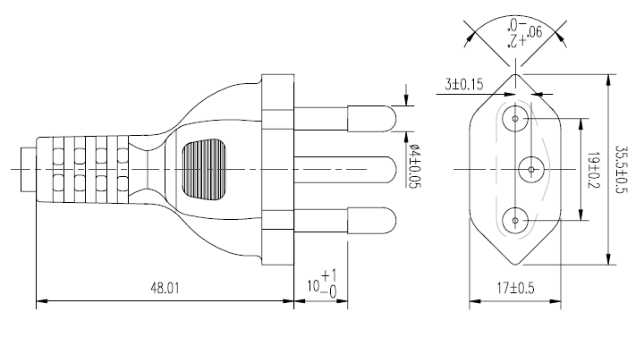
Brazil 3-PIN Plug TO C13 AC Power Cord Set 10A 250V
Voltage
250VAMP
10AColor
Black or customized products can be offered upon requestsMaterial
PVCMin. Order Q’ty
1000PCSProduction capacity
500000PCS/MonthPlug P/No
PHP-348Plug AMP/Voltage
10A 250VConnector p/No
PHS-301Connector AMP/Voltage
10A 250VCertificate











.png)
.png)




